お知らせ
お問い合わせ
資料ダウンロード
オンライン販売
ホーム
製品紹介
除振台
防振・制音・吸音
防振工事
アライナ・測定機
防音ボックス
環境測定
【ゲートシステム】自動XYステージ+除振台+門型支柱
ソリューション紹介
昭和サイエンスが選ばれる理由
会社案内
社長挨拶
会社概要
沿革
アクセス
ホーム
»
防振・制音・吸音
»
製品一覧
»
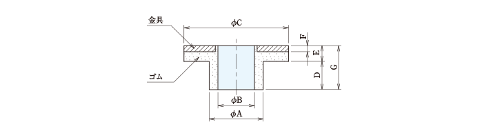
防振ゴム座(T型)
ゴム材質はスチレンブタジエン(T-22以下)、天然ゴム(T-32以上)です。
規格
RoHS対応品
機器本体とボルトが緩衝しない構造となっています。
一般汎用
Video VAAV:各制御方式の動作比較 X軸ステージ
Video VAAV:各制御方式の動作比較 X-Y軸ステージ
Video SAT:レーザー干渉計の動作・アクティブ制御 vs パッシブ制御
資料ダウンロード:アクティブ除振が必要な理由